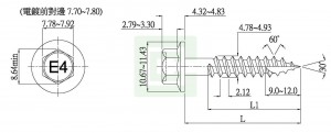
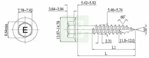
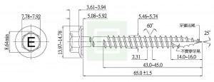
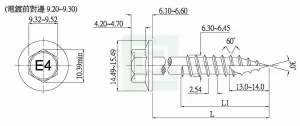
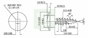
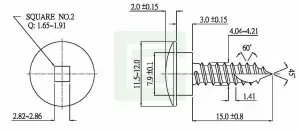
セルフタッピングねじ
自己攻撃ねじは、有用で多機能な締結部品シリーズを提供します。 通常、それらは低炭素鋼で作られ、スレッドロール加工後に表面硬化処理を受け、スレッド部分に硬い表面を持ち、耐久性のある芯部を持っています。 ニッケルまたはカドミウムめっきは最も一般的な表面処理ですが、亜鉛、真鍮、銅、およびクロムめっきも使用できます。 普通鋼とステンレススチールのネジを提供できます。 自己攻撃ねじには、Type AB、Type B、Type BP、Type BF、Type 25、Type C、Type 1、Type F、Type G、Type 23、およびType Uなど、さまざまな種類があります。 これらの異なる種類の自己攻釘は、さまざまな用途に使用することができます。
展進企業 自己攻撃ねじサービス概要
展進企業股份有限公司は、台湾で35年以上の経験を持つプロの自己攻螺旋製造サービスプロバイダーです。1987年に設立され、セルフドリリングスクリュー、屋根用スクリュー、テールドリリングスクリュー、リードテールスクリュー、窓用スクリュー、ドライウォールスクリュー、プラスチックボードスクリュー、家具用スクリュー、テールカットスクリューなどに特化しています。, 地板ネジ、自己攻釘、鉛尾ネジ(翼付き)のネジ産業分野で、展進企業は専門の高品質な自己攻釘製造サービスを提供しています。展進企業は常にお客様のさまざまな品質要件を満たすことができます。
展進企業は、是非私たちの各種製品サービスをご覧いただき、お問い合わせください。













