Tornillos autorroscantes
Chan Chin C. Tornillos para la fabricación de ventanas La gama ha sido diseñada específicamente para su uso en la fabricación de ventanas de PVCu y se fabrica para cumplir con todos los estándares reconocidos de la industria.
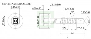
Un departamento de calidad dedicado aplica controles rigurosos para garantizar la conformidad con las especificaciones tanto de los tornillos como del recubrimiento resistente a la corrosión. Las instalaciones de prueba internas verificarán el rendimiento de "extracción" e "inserción rápida" en perfiles individuales, así como realizarán pruebas de "torsión" y "profundidad del recubrimiento" en todos los lotes de tornillos.
¿Cómo puedes asegurar que tus ensamblajes de ventanas de PVCu cumplan con los estándares de la industria mientras optimizas la velocidad y la fiabilidad de la producción?
Los tornillos autorroscantes Chan Chin C. están específicamente diseñados para la fabricación de ventanas de PVCu y se someten a rigurosas pruebas de extracción y velocidad de inserción en perfiles individuales. Nuestros sujetadores cumplen con todos los estándares de la industria reconocidos y cuentan con un recubrimiento resistente a la corrosión verificado a través de pruebas de calidad dedicadas, lo que le permite acelerar los ciclos de producción sin comprometer la integridad del ensamblaje. Solicite muestras y datos de prueba para validar el rendimiento en sus perfiles de ventana.
Con más de 30 años de experiencia en fabricación, Chan Chin C. ofrece tornillos autorroscantes que combinan especificaciones avanzadas con una fiabilidad probada para los mercados globales de OEM y construcción. Nuestro compromiso con la mejora continua y la innovación garantiza que los fabricantes de ventanas reciban soluciones de fijación que mejoran la eficiencia de ensamblaje mientras mantienen una durabilidad y resistencia a la corrosión superiores. Ya sea que necesite soporte de producción OEM de alto volumen o fijación especializada de componentes de ventanas, nuestros tornillos autorroscantes ofrecen la calidad estable y la asociación de fabricación a largo plazo que los fabricantes de ventanas exigentes demandan. Contáctenos hoy para descubrir cómo nuestras soluciones de fijación certificadas pueden optimizar sus procesos de fabricación de ventanas.













