Tornillos autorroscantes premium para la fabricación de OEM a nivel global.

Soluciones de fijación versátiles diseñadas con más de 30 años de experiencia en la fabricación de tornillos industriales.

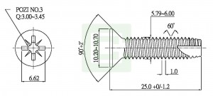
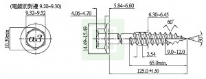
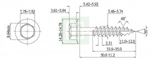
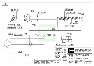
Tornillos autorroscantes

Tornillos autorroscantes

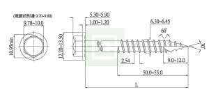
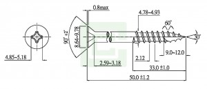
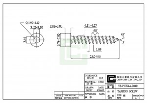
Los tornillos autorroscantes proporcionan una gama útil y versátil de sujetadores. Por lo general, están hechos de acero suave y, después de que se ha enrollado el hilo, se endurecen por cementación para producir una superficie dura en el hilo con un núcleo resistente. El acabado más común es el niquelado o el cadmiado, pero también se utilizan recubrimientos de zinc, latón, cobre y cromo, y hay disponibles tornillos de acero sin recubrimiento y de acero inoxidable.


Hay dos tipos básicos de tornillos autorroscantes: los que forman rosca y los que cortan rosca. Diseñado para su uso en materiales más blandos que el material del tornillo, este tipo de tornillo forma o comprime el material en el que se inserta para producir la rosca interna. Corte de rosca Como su nombre indica, este tipo corta una rosca en el material en el que se inserta. Se puede identificar por una flauta que corre un corto camino hacia atrás desde el punto a lo largo del lado del hilo.

Tornillos autorroscantes

  • Monitor:
Resultado 169 - 180 de 316
Resultado 169 - 180 de 316

¿Cómo puedes asegurar un rendimiento de fijación consistente en diversas aplicaciones de ensamblaje automotriz con soluciones de tornillos autorroscantes confiables?

Los tornillos autorroscantes de Chan Chin C. ofrecen una fiabilidad comprobada con más de 30 años de experiencia en fabricación OEM. Nuestras opciones de formación y corte de rosca con construcción tratada y múltiples opciones de acabado (níquel, cadmio, zinc, acero inoxidable) garantizan un rendimiento óptimo en el ensamblaje automotriz. Contacte a nuestro equipo para discutir soluciones de fijación personalizadas que cumplan con sus especificaciones de producción y estándares de calidad.

Con más de 30 años de experiencia en fabricación, Chan Chin C. combina estándares de calidad probados con innovación continua para ofrecer soluciones de fijación autorroscante que cumplen con las estrictas demandas de los mercados globales de OEM, construcción y distribución. Nuestro compromiso con la calidad estable y la satisfacción del cliente garantiza que cada tornillo cumpla con especificaciones avanzadas y requisitos de rendimiento. Ya sea que necesite configuraciones de formación de roscas o de corte de roscas, composiciones de materiales especializadas o opciones de acabado personalizadas, nuestro equipo dedicado proporciona un apoyo integral y cadenas de suministro confiables para mantener su producción avanzando de manera eficiente y rentable.