Vis autoperceuses
Chan Chin C. Vis de fabrication de fenêtres La gamme a été spécifiquement conçue pour une utilisation dans la fabrication de fenêtres en PVCu et est fabriquée pour répondre à toutes les normes reconnues de l'industrie.
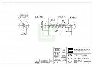
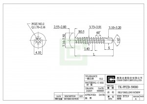
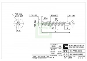
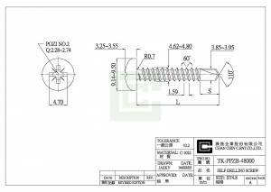
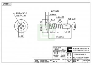
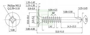
Un département qualité dédié applique des contrôles rigoureux pour garantir la conformité aux spécifications tant pour les vis que pour le revêtement résistant à la corrosion. Les installations de test internes vérifieront les performances de "dévissage" et d'"insertion rapide" dans les profils individuels, ainsi que la réalisation de tests de "couple" et de "profondeur de revêtement" sur tous les lots de vis.
Comment pouvez-vous garantir que vos assemblages de fenêtres en PVCu respectent les normes de l'industrie tout en optimisant la vitesse de production et la fiabilité ?
Les vis auto-perceuses Chan Chin C. sont spécialement conçues pour la fabrication de fenêtres en PVCu et subissent des tests rigoureux de traction et d'insertion rapide sur des profils individuels. Nos fixations répondent à toutes les normes industrielles reconnues et présentent un revêtement résistant à la corrosion vérifié par des tests de qualité dédiés, vous permettant d'accélérer les cycles de production sans compromettre l'intégrité de l'assemblage. Demandez des échantillons et des données de test pour valider les performances dans vos profils de fenêtres.
Avec plus de 30 ans d'expertise en fabrication, Chan Chin C. propose des vis autoperceuses qui allient spécifications avancées et fiabilité éprouvée pour les marchés mondiaux des OEM et de la construction. Notre engagement envers l'amélioration continue et l'innovation garantit que les fabricants de fenêtres reçoivent des solutions de fixation qui améliorent l'efficacité de l'assemblage tout en maintenant une durabilité et une résistance à la corrosion supérieures. Que vous ayez besoin d'un soutien à la production OEM en grande quantité ou de fixation de composants de fenêtre spécialisés, nos vis autoperceuses offrent la qualité stable et le partenariat de fabrication à long terme que les fabricants de fenêtres exigeants demandent. Contactez-nous aujourd'hui pour découvrir comment nos solutions de fixation certifiées peuvent optimiser vos processus de fabrication de fenêtres.
.jpg?v=c369f64c)
.jpg?v=c34d5841)









.jpg?v=27cb2293)

