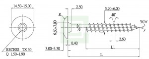
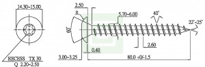
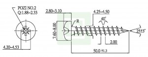
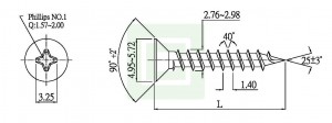
プラスチックボード用ネジ
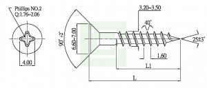
プラスチックボード用の自己攻釘で、細い軸と太いねじ山が特徴です。 プラスチックボードは樹脂と木くずで構成されているため、プラスチックボードのねじはこの複合材料をしっかりと掴み、落下を防ぎます。 ネジは、プラスチック ボードを別のプラスチック ボード、または天然木などの他の素材にしっかりと固定します。 プラスチックボード用のさまざまな長さのネジは、さまざまなプラスチックボードに固定するために使用できます。 一般的な平均長さのプラスチックボードのねじは、プラスチックボード床を一般的な木製の梁に接続するために使用されます。 小さなネジは、プラスチック製のキャビネットに取り付けるためにヒンジに固定することができます。 長いネジは、キャビネットの製作時にプラスチック板をプラスチック板に接合するために使用されます。
展進企業プラスチック板ネジサービスのご紹介
展進企業股份有限公司は、台湾で35年以上の経験を持つプロのプラスチックボードねじの製造およびサービスを提供する企業です。1987年に設立され、セルフドリリングねじ、屋根ねじ、尾部ねじ、リードねじ、窓ねじ、ドライウォールねじ、プラスチックボードねじ、家具ねじ、テールカットねじなどに特化しています。, 地板ネジ、自己攻釘、鉛尾ネジ(翼付き)などのネジ産業分野で、展進企業は専門の高品質なプラスチックボードネジ製造サービスを提供しています。展進企業は常にお客様のさまざまな品質要件を満たすことができます。
展進企業は、是非私たちの各種製品サービスをご覧いただき、お問い合わせください。













