High-Performance Chipboard Screws for Reliable Fastening Solutions

Specialized self-tapping screws engineered for chipboard and particleboard applications across furniture, cabinetry, and construction industries

Chipboard Screws

Chipboard Screws

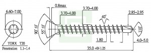
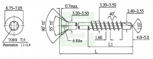
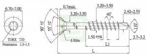
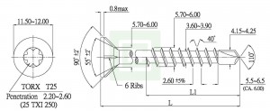
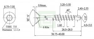
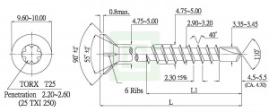
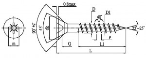
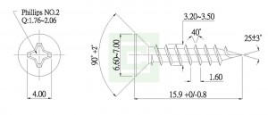
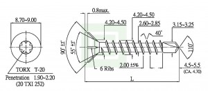
A chipboard screw or particleboard screw is a self tapping screw with a thin shaft and coarse threads. Chipboard is a made up of resin and wood dust or wood chips, so chipboard screws are made to grip this composite material and to resist withdrawing. The screws solidly fasten chipboard to chipboard or chipboard to other materials such as natural wood. Chipboard screws come in a variety of lengths and can be used to fasten chipboard in variety of applications. Average length chipboard screws are often used to join chipboard flooring to regular wood joists. Smaller screws may be used to fasten hinges to chipboard cabinetry. Very long screws may be used to butt chipboard to chipboard when making cabinets.


Chipboard Screws

  • Display:
Result 1 - 12 of 180
Result 1 - 12 of 180

How can you ensure chipboard cabinets and furniture maintain structural integrity without fastener failure?

Chan Chin C.'s chipboard screws are engineered with coarse threads specifically designed to grip composite materials and resist withdrawal. Our self-tapping fasteners eliminate the need for pre-drilling, reducing assembly time while providing superior holding power in particleboard cabinetry. With 30 years of manufacturing expertise, we guarantee consistent quality for high-volume furniture production. Request samples and specifications today to optimize your cabinet assembly process.

Our comprehensive range of chipboard fasteners combines advanced engineering with proven reliability, making them the ideal choice for OEM manufacturers, construction contractors, and furniture producers worldwide. Each screw is manufactured to exacting standards with attention to withdrawal resistance and composite material compatibility. From smaller fasteners for cabinet hardware to longer screws for structural applications, Chan Chin C. delivers consistent quality and performance. Contact our sales team today to discuss your specific chipboard screw requirements and discover how our fastening solutions can enhance your production efficiency and product durability.