Саморезы
Chan Chin C. Винты для изготовления окон Этот ассортимент специально разработан для использования в производстве окон из ПВХ и изготовлен в соответствии со всеми признанными стандартами отрасли.
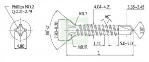
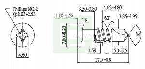
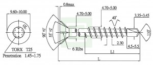
Отдел контроля качества осуществляет строгие проверки для обеспечения соответствия спецификации как для винтов, так и для коррозионностойкого покрытия. Внутренние испытательные установки проверяют производительность "вытягивания" и "быстрого ввода" в отдельные профили, а также проводят испытания на "крутящий момент" и "глубину покрытия" на всех партиях винтов.
Как вы можете гарантировать, что ваши сборки окон из ПВХ соответствуют отраслевым стандартам, оптимизируя скорость и надежность производства?
Chan Chin C. саморезы специально разработаны для изготовления окон из ПВХ и проходят строгие испытания на вырыв и скорость вставки на отдельных профилях. Наши крепежные изделия соответствуют всем признанным отраслевым стандартам и имеют коррозионно-стойкое покрытие, подтвержденное специальными испытаниями качества, что позволяет вам ускорить производственные циклы, не compromising целостность сборки. Запросите образцы и данные испытаний, чтобы подтвердить производительность в ваших оконных профилях.
С более чем 30-летним опытом производства, Chan Chin C. предлагает саморезы, которые сочетают в себе передовые характеристики и проверенную надежность для мировых рынков OEM и строительства. Наша приверженность постоянному совершенствованию и инновациям гарантирует, что производители окон получают решения для крепления, которые повышают эффективность сборки, сохраняя при этом превосходную прочность и стойкость к коррозии. Нужна ли вам поддержка высокообъемного OEM производства или специализированные крепления для оконных компонентов, наши саморезы обеспечивают стабильное качество и долгосрочное партнерство в производстве, которое требуют взыскательные производители окон. Свяжитесь с нами сегодня, чтобы узнать, как наши сертифицированные решения для крепления могут оптимизировать ваши процессы изготовления окон.






.jpg?v=7d3fda05)
.jpg?v=b50ef503)
.jpg?v=ae624c43)
.jpg?v=6698e3d3)
.jpg?v=b7f5155a)
.jpg?v=5f310b6c)

