สกรูไม้อัดประสิทธิภาพสูงสำหรับโซลูชันการยึดที่เชื่อถือได้

สกรูเกลียวตัวเองที่ออกแบบมาเฉพาะสำหรับการใช้งานกับแผ่นไม้อัดและแผ่นไม้อัดอนุภาคในอุตสาหกรรมเฟอร์นิเจอร์ ตู้เก็บของ และการก่อสร้าง

สกรูแผ่นไม้อัด

สกรูแผ่นไม้อัด

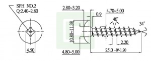
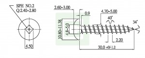
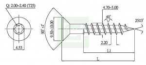
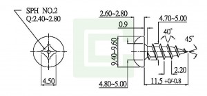
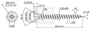
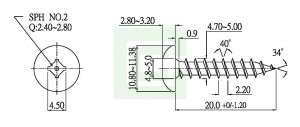
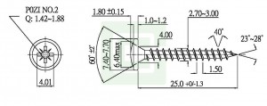
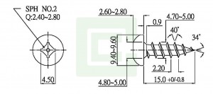
สกรูแผ่นไม้อัดหรือสกรูไม้อัดเป็นสกรูที่มีการเจาะตัวเองซึ่งมีแกนที่บางและเกลียวหยาบ. แผ่นไม้อัดทำจากเรซินและฝุ่นไม้หรือชิปไม้ ดังนั้นสกรูแผ่นไม้อัดจึงถูกออกแบบมาให้ยึดเกาะกับวัสดุผสมนี้และต้านทานการดึงออก สกรูยึดแผ่นไม้อัดให้แน่นกับแผ่นไม้อัดหรือแผ่นไม้อัดกับวัสดุอื่น ๆ เช่นไม้ธรรมชาติ. สกรูแผ่นไม้อัดมีความยาวหลากหลายและสามารถใช้ในการยึดแผ่นไม้อัดในหลากหลายการใช้งาน. สกรูแผ่นไม้อัดความยาวเฉลี่ยมักใช้ในการเชื่อมแผ่นไม้อัดพื้นกับคานไม้ปกติ. สกรูขนาดเล็กอาจถูกใช้ในการยึดบานพับกับตู้ไม้ชิปบอร์ด. สกรูที่ยาวมากอาจถูกใช้ในการเชื่อมแผ่นไม้อัดเข้าด้วยกันเมื่อทำตู้เก็บของ.


สกรูแผ่นไม้อัด

  • แสดง:
ผลลัพธ์ 85 - 96 ของ 180
ผลลัพธ์ 85 - 96 ของ 180

คุณจะทำอย่างไรให้ตู้และเฟอร์นิเจอร์จากแผ่นไม้อัดคงความแข็งแรงโดยไม่เกิดความล้มเหลวของอุปกรณ์ยึด?

สกรูแผ่นไม้อัดของ Chan Chin C. ถูกออกแบบมาให้มีเกลียวหยาบเพื่อยึดเกาะวัสดุผสมและต้านทานการดึงออก ฟาสเทนเนอร์แบบเจาะเองของเราช่วยขจัดความจำเป็นในการเจาะล่วงหน้า ลดเวลาในการประกอบในขณะที่ให้พลังยึดเกาะที่เหนือกว่าในเฟอร์นิเจอร์ไม้อัด ด้วยประสบการณ์การผลิตกว่า 30 ปี เรารับประกันคุณภาพที่สม่ำเสมอสำหรับการผลิตเฟอร์นิเจอร์จำนวนมาก ขอรับตัวอย่างและข้อมูลจำเพาะวันนี้เพื่อเพิ่มประสิทธิภาพกระบวนการประกอบตู้ของคุณ.

ผลิตภัณฑ์ยึดติดจากแผ่นไม้อัดของเรามีความหลากหลายและรวมเทคโนโลยีที่ทันสมัยเข้ากับความเชื่อถือได้ที่พิสูจน์แล้ว ทำให้เป็นตัวเลือกที่เหมาะสมสำหรับผู้ผลิต OEM ผู้รับเหมาก่อสร้าง และผู้ผลิตเฟอร์นิเจอร์ทั่วโลก. สกรูแต่ละตัวถูกผลิตตามมาตรฐานที่เข้มงวดโดยให้ความสำคัญกับความต้านทานการถอนและความเข้ากันได้ของวัสดุผสม. จากอุปกรณ์ยึดขนาดเล็กสำหรับฮาร์ดแวร์ตู้ไปจนถึงสกรูยาวสำหรับการใช้งานเชิงโครงสร้าง Chan Chin C. มอบคุณภาพและประสิทธิภาพที่สม่ำเสมอ ติดต่อทีมขายของเราวันนี้เพื่อพูดคุยเกี่ยวกับความต้องการสกรูแผ่นไม้อัดของคุณและค้นพบว่าโซลูชันการยึดของเราสามารถเพิ่มประสิทธิภาพการผลิตและความทนทานของผลิตภัณฑ์ของคุณได้อย่างไร.