
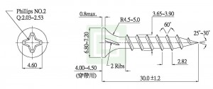
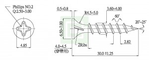
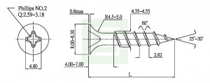
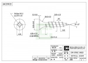
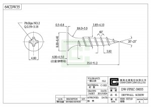
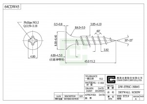
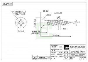
牆用螺絲
乾牆是一種建築用材料,在重磅紙與其他片材之間擠壓填滿石膏及礦物材料製成的。乾牆會使用一種稱為乾壁螺絲的緊固件安裝在牆壁或天花板上。 該緊固件可用於將乾牆固定到木質或金屬框架構件上,並使牆壁表面的凹陷最小化。 傳統的釘子往往會在幹牆中留下小孔或凹陷,甚至會隨著時間的推移而鬆動。 亁壁螺絲具有螺紋,可以緊密夾住乾牆和框架構件,並隨著時間的推移提供更安全和持久的安裝。
展進企業 牆用螺絲服務簡介
展進企業股份有限公司是台灣一家擁有超過35年經驗的專業牆用螺絲生產製造服務商. 我們成立於西元1987年, 在自鑽螺絲, 屋頂螺絲, 鑽尾螺絲, 鉛尾螺絲加翅膀, 窗戶螺絲, 乾牆螺絲, 塑板螺絲, 傢俱螺絲, 割尾螺絲, 地板螺絲, 自攻螺絲, 鉛尾螺絲(加翅膀)之螺絲產業領域上, 展進企業提供專業高品質的牆用螺絲製造服務, 展進企業 總是可以達成客戶各種品質的要求
展進企業邀請您立即瀏覽我們各項產品服務並立即聯絡我們.













