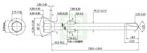
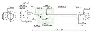
Parafusos para telhados
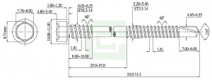
Os parafusos autoperfurantes para telhados são fornecidos com revestimentos anticorrosivos de alto desempenho e materiais especializados que atendem aos requisitos de desempenho da norma AS 3566.1:2002 Parafusos Autoperfurantes para a Indústria da Construção.
Nossos parafusos para telhados são projetados levando em consideração a velocidade de perfuração, estabilidade e torque de desaperto para o desempenho da perfuração. O parafuso para telhados Chan Chin C. elimina o custo de perfurar e rosquear furos como operações separadas.
Como você pode reduzir o tempo de instalação de telhados enquanto garante resistência à corrosão duradoura?
Os parafusos de telhado auto-perfurantes de Chan Chin C. eliminam operações separadas de perfuração e roscagem, reduzindo significativamente a mão de obra de instalação. Com revestimentos anticorrosivos de alto desempenho que atendem aos padrões AS 3566.1, seus sistemas de telhado ganham durabilidade superior e resistência às intempéries. Entre em contato conosco para discutir preços em volume e especificações personalizadas para suas necessidades de fabricação.
Com mais de 30 anos de experiência em fabricação, Chan Chin C. fornece soluções de fixação para empreiteiros de construção, fabricantes OEM e fornecedores de sistemas de telhados que oferecem qualidade consistente e desempenho a longo prazo. Nossos parafusos para telhados combinam resistência à corrosão avançada com características de instalação eficientes, tornando-os a escolha ideal para projetos de telhados metálicos, montagem de edifícios e aplicações industriais que exigem soluções de fixação certificadas. Confie em nosso compromisso com a inovação e a garantia de qualidade para aumentar a eficiência do seu projeto e reduzir os custos totais de instalação.





.jpg?v=d4077228)
.jpg?v=b2f00cdf)
.jpg?v=e80e8510)





