
Gipsplater Skruer
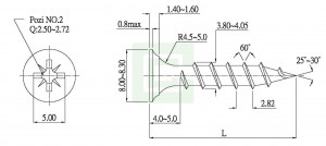
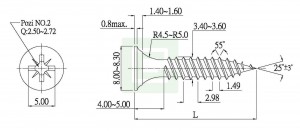
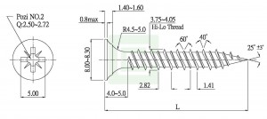
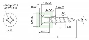
Gipsplater er en type byggemateriale laget av gips og andre mineraler presset mellom ark av tungt papir. Den er montert på vegger og tak ved hjelp av en type festemiddel kjent som gipskruer. Denne festemiddelet kan brukes til å sikre gipsplaten til enten tre- eller metallrammeverk, og er designet for å minimere fordypning på overflaten av veggene. Tradisjonelle negler har en tendens til å etterlate små hull eller fordypninger i gipsveggen, og kan til og med løsne over tid. Gipskruer er gjengede for å gripe både gipsplaten og rammelemmene stramt, og gir en mye mer sikker og langvarig installasjon over tid.
Gipsplater Skruer for Tre- og Metallstendere
Chan Chin C. leverer gipsplater skruer for installasjon av gipsplater, og gir jevn innskruing, senking og holdestyrke på stedet.
Velg grov gjenge for trestendere eller fin gjenge for metallstendere, med fosfat- eller sinkbehandlinger for å matche preferanser på arbeidsplassen og korrosjonskontroll.
OEM/ODM-støtte gjør det mulig å tilpasse spesifikasjoner, merking og emballasje—som holder lagerbeholdningen effektiv og prosjektene i gang.













